您好,欢迎访问沈阳市中科成套机电设备有限公司!​ 设为首页| 加入收藏

图片名

全国服务热线:024-87736885

产品展示 PRODUCT

电话:024-87736885

手机:18642082729

邮箱:syzkjd@163.com

地址:辽宁省沈阳市新民胡台镇盛大工业园

防爆电气类

当前位置: 首页 > 产品展示 > 防爆电气类

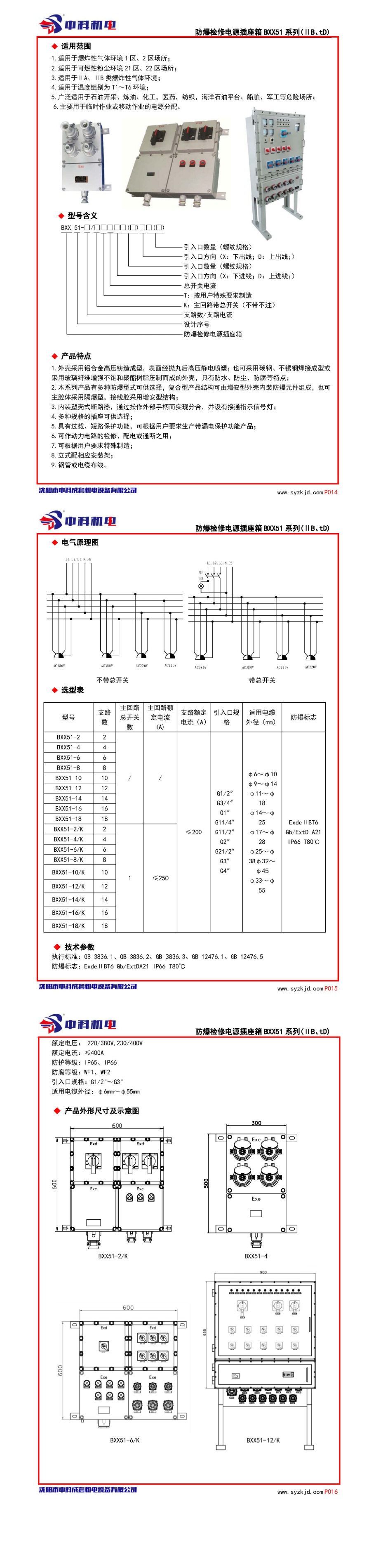
防爆检修电源插座箱BXX51系列

防爆检修电源插座箱BXX51系列


上一篇: 防爆照明(转换)开关BZM(H)系列

下一篇: 暂无